芯城品牌采购网 > 品牌资讯 > 全部资讯

近日,应用材料宣布,计划在美国的创新基础设施上投资数十亿美元,并从现在到2030年扩大其全球制造能力。应用材料计划在加州森尼维尔建立下一代基础半导体技术和工艺设备研发中心,其规模将取决于当地政府的支持。这项投资计划于2023年初在硅谷启动。此外,为配合扩大全球基础设施投资,应用材料于12月22日在新加坡区域中心举行扩建破土典礼。新加坡是应用材料公司在美国以外最大的工厂所在地。应用材料表示,将投资加

芯城品牌采购网

5860

国产存储厂商的进阶之路!-芯城品牌采购网

世界半导体贸易统计组织(WSTS)统计的数据显示,2021年全球半导体存储器市场规模约为1538亿美元。目前,存储市场长期被国外巨头垄断,三星、美光、SK海力士三大存储厂商占据全球近80%的市场份额。而中国尽管作为全球市场规模最大的集成电路市场,但存储器产品大部分却长期依赖进口。近年来,在国产化浪潮趋势推动下,一批国内存储厂商开启了资本市场之路。4家厂商IPO进展顺利公开资料显示,2021年以来,

芯城品牌采购网

6690

近日,多个半导体产业项目迎来新进展,涉及项目包括浙江丽水中欣晶圆12英寸硅片外延项目、西安第三代化合物半导体芯片与器件产业化项目、国芯RISC-V芯片架构总部等12个集成电路产业项目、至纯科技加码半导体湿法设备模块及零部件研发等项目、积塔碳化硅6英寸线等产业链重点项目。总投资40亿,中欣晶圆12英寸硅片外延项目正式竣工投运据丽水经济技术开发区消息,12月9日,浙江丽水中欣晶圆12英寸硅片外延项目举

芯城品牌采购网

6274

日前,国内存储行业迎来重大喜讯,由至讯创新完全自主研发的国内首款中小容量高可靠性19nm2DNAND闪存芯片研制成功,预计将于明年年初全面投放市场。这是国内存储行业的跨越式突破,技术水平已赶超国际一流。这是国内首款全自研、运用先进工艺的中小容量高可靠性19nm2DNAND闪存芯片。产品将覆盖512Mb、1Gb和2Gb容量,提供1.8V和3.3V电压,并采用业界主流串行接口SPI和WSON封装。其即

芯城品牌采购网

7001

突破!复旦团队发明晶圆级硅基二维互补叠层晶体管-芯城品牌采购网

传统集成电路技术使用平面展开的电子型和空穴型晶体管形成互补结构,从而获得高性能计算能力。其密度的提高主要通过缩小单元晶体管的尺寸来实现。例如7nm节点以下业界使用极紫外光刻技术实现高精度尺寸微缩。极紫外光刻设备复杂,在现有技术节点下能够大幅提升集成密度的三维叠层互补晶体管(CFET)技术价值凸显。然而,全硅基CFET的工艺复杂度高,且性能在复杂工艺环境下退化严重。因此,研发与我国主流技术高度兼容的

芯城品牌采购网

7372

近日,第三代半导体氮化镓外延领军企业晶湛半导体宣布完成数亿元C轮融资,这是继今年3月完成B+轮数亿元战略融资以来的又一轮融资。本轮增资由蔚来资本、美团龙珠领投,华兴资本旗下华兴新经济基金、欣柯资本等跟投,老股东歌尔微电子、三七互娱等继续加码。近年来,氮化镓材料不仅在电力电子和新型显示等领域的应用呈现出爆发式增长。晶湛半导体长期专注于高质量GaN材料的研发和产业化,已建成国内规模领先的GaN外延材料

芯城品牌采购网

6571

12月12日,美光宣布其LPDDR5X移动内存正持续受到市场青睐,并已正式搭载于小米最新款旗舰智能手机Xiaomi13。Xiaomi13是全球首批采用LPDDR5X的智能手机之一,其峰值速率高达每秒8.533Gb。美光最新版本LPDDR5X专为高端和旗舰智能手机设计,峰值速率比上一代LPDDR5提升33%。与去年秋季所实现的每秒7.5Gb速率相比,该款满血版LPDDR5X速率进一步提升,为需要高性

芯城品牌采购网

8070

中国科大在氧化镓半导体器件领域取得重要进展-芯城品牌采购网

近日,第68届IEEEInternationalElectronDevicesMeeting(IEDM,国际电子器件大会)在美国旧金山召开。IEEEIEDM是一个年度微电子和纳电子学术会议,是报告半导体和电子器件技术、设计、制造、物理和建模等领域的关键技术突破的世界顶级论坛,其与ISSCC、VLSI并称为集成电路和半导体领域的“奥林匹克盛会”。中国科大国家示范性微电子学院龙世兵教授课题组两篇关于氧

芯城品牌采购网

6885

做嵌入式软件的朋友们也不要太高估了自己,虽然大家可以把硬件秀起来,但是你拯救不了“无药可救”的硬件。不要一头扎到代码的调试中,而是更多的分析现场和一些可能性的问题,先排查一些更加常见且易查的硬件问题,此时此刻示波器得秀起来~1电源问题对于电源问题引起的死机,在这么多年软件调试过程了至少有碰到过10次左右,特别是一些经验不是特别丰富的软件工程师们在开发的过程中很少去质疑硬件问题,所以一言不合就从嵌入

芯城品牌采购网

6256

迈入下行周期以来,各头部大厂纷纷使出浑身解数,求新求变。近日,英特尔CEO会见了三星高管,进一步讨论半导体合作事宜;Arm则引入了高通和英特尔前高管,以继续推进IPO,并且与供应链伙伴会面,为抓住未来新兴增长点加强交流。英特尔CEO会见三星高管,讨论半导体合作事宜外媒消息显示,近日,英特尔首席执行官PatGelsinger会见了三星电子设备解决方案(DS)部门总裁KyungKye-hyun和设备体

芯城品牌采购网

8166

近日,江苏省、湖北省各自公布了外贸进出口数据,其集成电路前11月出口额合计超2千亿元。江苏集成电路出口2303.1亿元12月12日,据南京海关数据,2022年1-11月,江苏省外贸进出口5万亿元,比去年同期(下同)增长6.7%,占同期我国进出口总值的13%。其中,出口3.19万亿元,增长9.6%;进口1.81万亿元,增长2%。从进出口地点上看,前11个月,江苏省对欧盟、东盟、美国、韩国、日本等主要

芯城品牌采购网

6330

助AI实现边缘计算的理想之选-FPGA-芯城品牌采购网

人类大脑之中有将近1000亿个神经元。虽然这是一个天文数字,但将这些神经元组织成网络的神经相连的数量是数万亿的数量级,而神经相连的数量明显影响大脑的能力。FPGA外部的互连性相似于人脑中的神经连接。FPGA中的可编程逻辑结构也以相似的方式互联,这就是为什么英特尔®FPGA是神经网络和其他人工智能工作负载构建的完美选择。在逻辑和线互连的层面之上,FPGA的位级动态可编程性就像一个敏捷的大脑,可变更注

芯城品牌采购网

7884

新冠疫情放开后数字医疗技术的提升-芯城品牌采购网

由于国内外新冠疫情的放开,患者增加,科技集成芯片公司也不断公布全新的芯片应用技术来拥护医疗。数字医疗技术行业的先锋创新者(包含ADI)已经将之下一代技术交付给供应商。这方面的一个例子是关键的迹象监测技术,如可穿戴设备和可穿戴设备。有了它们,即使病人返回医生的办公室,医生也可不受阻碍地再次获取数据。这使医生能取得可手动的见解,并使精确的诊断更难。ADI半导体公司数字医疗高级副总裁PatO'Doher

芯城品牌采购网

6535

DSP嵌入式技术的智能制动控制系统电路设计-芯城品牌采购网

基于DSP嵌入式技术的智能制动控制系统电路设计。在硬件电路设计之中,使用DSP芯片和周围电路组成速度收集电路。电机驱动控制器使用微控制芯片和周围电路构成电流取样、过流保障、压力调控等电路。使用CPLD构建了无刷斜流电机的转子位置。信号的逻辑换流。赛车制动控制器由防弯控制器和电机驱动控制器构成。两种控制器均基于DSP芯片。防滑控制器主要是以滑移率为控制对象,输入一个实数的制动压力。以DSP芯片为CP

芯城品牌采购网

7429

据无锡滨湖发布消息,12月11日,无锡光子芯谷创新中心(一期)开工仪式举行。这意味着我国首个集光子芯片前沿应用研究和产业化于一体的光子芯片中试线将扎根于无锡滨湖区。无锡光子芯谷创新中心项目由无锡滨湖区与上海交通大学携手共建,将以高端光子集成芯片的研发为核心,聚焦量子计算、光学人工智能与光通信前沿技术和产业化应用,打造全球光子芯片设计研发及产业化集聚区。按照规划,该创新中心占地面积约127亩,总建筑

芯城品牌采购网

6452

近日,第三代半导体氮化镓外延领军企业晶湛半导体宣布完成数亿元C轮融资,这是继今年3月完成B+轮数亿元战略融资以来的又一轮融资。本轮增资由蔚来资本、美团龙珠领投,华兴资本旗下华兴新经济基金、欣柯资本等跟投,老股东歌尔微电子、三七互娱等继续加码。近年来,氮化镓材料不仅在电力电子和新型显示等领域的应用呈现出爆发式增长。晶湛半导体长期专注于高质量GaN材料的研发和产业化,已建成国内规模领先的GaN外延材料

芯城品牌采购网

6575

如何用XilinxFPGA的Theano,Python,PYNQ和Zynq开发定点DeepRecurrent神经网络-芯城品牌采购网

基于XilinxFPGA构建水深递归神经网络语法建模。可编程语义(Prologis)是由标准化积体电路造成的。语义机能是根据使用者对装置的编译器来确认的。使用者可自行将字符装置编译器到Prologis之中。经过多年的转型,可编程语义元件已经从20世纪末70中期的可编程语义元件元件(Prologis)转型到目前具有数千万门的现场可编程元件语义(FPGA)。随着AI分析的飞速发展,FPGA并行性已在一

芯城品牌采购网

7812

半导体材料需求“水涨船高”,索尔维如何迎“难”而上?-芯城品牌采购网

近年来,面对持续的“芯片短缺”,同时,疫情下众多产业向数字化转型,下游汽车、电子、5G等多领域的旺盛需求,使芯片需求不断高涨,半导体材料的需求也“水涨船高”,行业生产迎来高难度挑战,看索尔维如何突破创新,迎“难”而上。挑战一芯片更小,工艺要求更精细出于物理极限和制造成本的原因,先进工艺技术让芯片的体积不断突破想象,从5纳米到3纳米,甚至2纳米时,有如半导体行业灯塔般的“摩尔定律”已然失效。工业界已

芯城品牌采购网

5972

智能控制如何降低能耗-芯城品牌采购网

越来越多的企业和个人正在寻找减少能源足迹和增加可再生资源使用的方法。我们应该关注哪里才能产生显着效果?世界上超过65%的电力用于为工业环境、商业建筑和个人家庭中的电机和电源提供动力。根据我们的数据世界,60%的电力来自燃烧煤炭和天然气,不到10%来自可再生能源。智能变频数字电机控制,能耗降低25%以上。智能数字电源控制可以最大限度地提高太阳能和风能的生产效率,并最大限度地降低超高耗能设备的功耗。在

芯城品牌采购网

6475

12月12日,盛美上海宣布推出拥有自主知识产权的UltraPmaxTM等离子体增强化学气相沉积(PECVD)设备,拓展了一个重要的全新产品分类。盛美上海预计将在几周内向中国的一家集成电路客户交付其首台PECVD设备。盛美上海首席执行官王坚表示,“UltraPmaxTMPECVD设备的推出,标志着我们在前道半导体应用中进一步扩展到了全新的工艺领域。我们有很多客户是28纳米及以上的逻辑器件供应商。我们

芯城品牌采购网

6078

据“衢州智造新城”消息,近日,衢州三时纪年产24000吨(一期12000吨)高端集成电路封装和5G通讯球硅填料用新型电子基材产业化项目开工仪式在智造新城高新片区举行。消息显示,该项目计划总投资10.8亿元,用地约114亩,达产后预计可实现年营业收入约20亿元。项目的实施不仅将进一步推动衢州集成电路产业的发展,还将打破高端球硅领域被国外企业长期垄断的局面,解决现有材料在5G通讯和先进封装中的技术缺陷

芯城品牌采购网

7364

MCU单片机的3种破解技术-芯城品牌采购网

MCU单片机的安全级别正在逐步提高,一些公司甚至发行了安全性主控。这是一个很糟糕的现象,解释嵌入式领域的信息安全性和程序安全性越来越受大家的重视。然而,对于许多特定行业,如消费者电子产品、高成本通信模块、电源控制模块等,由于成本压力和更换速度问题,不也许采用更安全性的主控MCU,而很大一部分产品甚至还在采用51单片机。大家也许都明白,破译51单片机是一件非常容易的事情,但是为什么难,如何破译,也许

芯城品牌采购网

7611

光伏电源电路的PCB布局-芯城品牌采购网

我在这个项目中的目标是创建一个非常简单,非常紧凑的电路,可以为基于微控制器的嵌入式系统供电。该电路仅在充足照明的时间内有效,因为该设计不包括用于存储剩余能量的电容器或电池。在本文中,我将从电源原理图中了解电路的PCB布局。光伏电源的PCB布局下图显示了PCB顶部和底部的布局。所有组件和大部分痕迹和铜浇注都在顶部;底部主要是地平面。PCB尺寸微控制器是SiliconLabs的EFM8SleepyBe

芯城品牌采购网

7670

车载电源线路用共模滤波器-芯城品牌采购网

DC输入滤波器电路基本构成DC输入滤波器电路的滤波构成受基板图案的接地方法很大影响,需要根据使之衰减的频带和噪声传播途径分别使用适当的部件。在EMI对策中,设计初期阶段最好采用能配置电感器(L)、电容器(C)、共模滤波器(CMF)的图案构成。滤波器构成示例正常(差分)模式噪声和共模噪声传导噪声有正常(差分)模式噪声和共模噪声两种。正常模式噪声发生在电路线路之间并逆相流动,共模噪声发生在电路线和接地

芯城品牌采购网

6824

MPS携新型ACDC电源解决方案迎接低碳新时代-芯城品牌采购网

低碳时代到来,引领小型化和高效率趋势开关电源在80年代替代线性电源之后,电源效率得到了极大的提升,尺寸也大大减少。随着开关电源在各个应用上的不断发展和消费者对便携性的要求,开关电源继续朝着小型化,轻量化的趋势发展。近年来,碳达峰、碳中和“3060”目标开启了低碳新时代,随着节能减排的要求越来越严,人们对环保节能低耗绿色提出了更高要求,对开关电源的能效标准也越来越严。比如,欧盟执委会最新的CoCV5

芯城品牌采购网

7192

如何正确地布设运算放大器-芯城品牌采购网

那如何正确地布设运算放大器的电路板以确保其功能、性能和稳健性呢?事件重现工程师与自己的实习生利用增益为2V/V、负荷为10k、电源电压为+/-15V的非反相配置OPA191运算放大器进行设计。图1所示为该设计的原理图。图1采用非反相配置的OPA191原理图工程师指派实习生为该设计布设电路板,同时为他做了PCB布设方面的一般指导(即尽可能缩短电路板的走线路径,同时将组件保持紧密排布,以减小电路板空间

芯城品牌采购网

6314

据《长春日报》报道,目前,位于长春经开区的半导体激光技术创新中心产线建设项目如期竣工,洁净实验室厂房及动力配套系统投入使用,第一款产品实现量产出货。吉光半导体科技有限公司(以下简称“吉光半导体”)副总经理彭航宇表示,该产线建设项目的完工标志着由国家半导体激光技术创新中心长春主中心负责承建的产业共性技术创新平台已具备相关硬件条件。彭航宇还表示,他们正以长春为主要基地,联合国内优势力量申请组建国家半导

芯城品牌采购网

6332

谁来拯救“低谷期”的芯片大厂?-芯城品牌采购网

若让你回想2022年的半导体,会想到什么?消费端疲弱、芯片暴跌、营收不济....充斥着今年的半导体市场。终端市场的寒风肆意飞扬,蔓延到半导体各产业链环节,行业迈入低谷期,而半导体企业早已身在这危急的困境之中。1半导体冬季已至前几年半导体市场“门庭若市”,可今年以来,PC、智能手机等终端市场持续传来低沉的气息,芯片价格跌跌不休,周围寒气直逼,半导体市场步入下行周期,提前入冬。从需求爆发、缺货涨价、投

芯城品牌采购网

6275

不同的电平信号的MCU如何进行串口通信?-芯城品牌采购网

该电路的核心在于电路中的MOS场效应管(2N7002)。他和三极管的功能很相似,可做开关使用,即可控制电路的通和断。不过比起三极管,MOS管有挺多优势,后面将会详细讲起。下图是MOS管实物3D图和电路图。简单的讲,要让他当做开关,只要让Vgs(导通电压)达到一定值,引脚D、S就会导通,Vgs没有达到这个值就截止。那么如何将2N7002应用到上面电路中呢,又起着什么作用呢?下面我们来分析一下。如果沿

芯城品牌采购网

7532

高稳定性的汽车应用,为什么要选WFM系列检流电阻?-芯城品牌采购网

在选型时我注意到,WFM系列电阻能够提供较高的功率、更高的工作温度,以及长期的稳定性,下面想就以下几个问题请教一下:(1)下面这个产品降额图,图中橙色和蓝色曲线分别代表什么含义?(2)WFM电阻保持长期稳定性的原因是什么?(3)WFM电阻在装配漂移方面的表现如何?是否有这方面的数据?首先回答第一个问题上述曲线是基于标准电气规范第一页所列的端子降额功率,两个图表中分别列出了2010和2512尺寸的W

芯城品牌采购网

6990

需求不敌库存问题与经济疲软夹击,第三季智能手机总产量约2.89亿支-芯城品牌采购网

TrendForce集邦咨询研究显示,第三季全球智能手机总产量达2.89亿支,环比减少0.9%,同比减少11%,打破历年来第三季旺季正成长的规律,显示市况极为萎靡。主因是智能手机品牌厂在优先调节渠道成品库存的考量下,对于第三季的生产规划相当保守,加上全球经济疲软冲击,品牌持续下调生产目标所致。为应对库存上升问题,三星(Samsung)从第二季下旬起即缩减智能手机产量,加上对后势展望保守,故第三季产

芯城品牌采购网

7303

英特尔卷土重来,谁能坐稳后摩尔时代工艺制程王座?-芯城品牌采购网

据国外媒消息,英特尔副总裁兼技术开发负责人AnnKelleher近日表示,英特尔公司正在实现重新获得半导体制造领导地位这一目标。Kelleher表示:“英特尔按季度制定的里程碑显示,我们处于领先地位或步入正轨。”她说,英特尔目前正在量产7nm芯片,另外已准备好开始制造4nm芯片,并将准备在明年下半年转向3nm。谁能坐稳后摩尔时代工艺制程王座?英特尔CEO基辛格曾表示要重回生产技术的领导地位,“重回

芯城品牌采购网

6608

存储芯片是半导体市场最主要的细分领域,也是物联网、云计算、自动驾驶等行业不可或缺的关键元件,亦被广泛应用于消费电子、工控应用、数据中心、智能汽车等各个领域。而封装测试是半导体产业链中必不可少的环节。近年来,我国在封测领域中取得成绩也是有目共睹。数据显示,在全球前十大封测厂商中,中国厂商占据三席之地,其中长电科技排名全球第三、通富微电和华天科技则分别位列第六和第七。随着存储市场需求的扩大,存储芯片封

芯城品牌采购网

7408

具备低电阻与轻薄特点的双电层电容器(EDLC/超级电容器)-芯城品牌采购网

此产品在保持了双电层电容器(EDLC/超级电容器)的最大特点——容量大的同时,其低电阻的特性可对应大电流,而3V以上的额定电压使其方便使用。它还是一种由绿色材料制成的设备。作为电容器的定位双电层电容器(EDLC/超级电容器)可以凭借其大容量来储存较大的能量。TDK的双电层电容器(EDLC/超级电容器)可以储存数mF~500mF的大容量。额定电压为3.2V~4.2V,即使不提高电压,也能得到足够的能

芯城品牌采购网

6386

基于LVDS收发器芯片实现全彩LED控制系统信号传输系统的设计-芯城品牌采购网

引言LVDS(低电压差分信号)是一种能满足超高速数据传输的新技术,它具有低电压、低辐射、低功耗、低成本和内含时钟等优点,尤其适用于有一定传输距离要求的低功耗高速数据传输。由于用LVDS接口传输信号必须先进行LVDS和TTL的转换,所以在LVDS接口处使用专用LVDS收发器芯片不仅提高了成本,而且增大了PCB板的面积;而用千兆网卡传输则需要使用帧同步字,并且在接收端需要对接收到的数据进行同步字校验。

芯城品牌采购网

7754

据东风汽车官方消息,东风旗下智新半导体碳化硅功率模块项目将于2023年实现量产装车。同时,东风汽车与中国信科共建的汽车芯片联合实验室,正在推进车规级MCU芯片在汉落地,预计2024年实现量产;与中芯国际合作,已完成设计首款MCU芯片。作为IGBT模块的升级产品、第三代半导体,碳化硅功率模块有着更低损耗、更高效率、更耐高温和高电压的特性。据介绍,碳化硅功率模块项目于2021年1月在智新立项,目前课题

芯城品牌采购网

8306

英国当地时间12月5日,英国数字、文化、传媒和体育部(DCMS)宣布启动一项可行性研究,旨在寻找支持英国半导体行业的新方法的研究项目以及可能建立一个新的“国家机构”,以促进支撑英国工业的基础设施。DCMS新闻声明显示,该研究还将探讨芯片公司是否需要更好地使用原型设计和制造设施,以解决创新障碍和发展行业;还将探索为初创企业提供更多专业软件工具的机会,以及开发尖端包装工艺的方法。该战略旨在释放英国微芯

芯城品牌采购网

5342

PN二极管的正向导电性-芯城品牌采购网

二极管是常用的电子元件之一,它的特性就是单向导电,也就是电流只可以从二极管的一个方向流过,二极管的作用有整流电路,检波电路,稳压电路,各种调制电路,主要都是由二极管来构成的。二极管工作原理晶体二极管为一个由p型半导体和n型半导体形成的p-n结,在其界面处两侧形成空间电荷层,并建有自建电常当不存在外加电压时,由于p-n结两边载流子浓度差引起的扩散电流和自建电场引起的漂移电流相等而处于电平衡状态。二极

芯城品牌采购网

6374

光敏电阻简介  光敏电阻或光导管,常用的制作材料为硫化镉,另外还有硒、硫化铝、硫化铅和硫化铋等材料。这些制作材料具有在特定波长的光照射下,其阻值迅速减小的特性。这是由于光照产生的载流子都参与导电,在外加电场的作用下作漂移运动,电子奔向电源的正极,空穴奔向电源的负极,从而使光敏电阻器的阻值迅速下降。  光敏电阻是用硫化隔或硒化隔等半导体材料制成的特殊电阻器,其工作原理是基于内光电效应。光照愈强,阻值

芯城品牌采购网

6339

常见的ADC类型及原理-芯城品牌采购网

ADC类型积分型ADC优点:积分型ADC分辨率高,位数可做到12位甚至更高线性度非常好。本质上,输入端与一个集成的参考电压相比较来决定输出端,所以线性度将取决于比较器的精度。电路实现拓扑简单,用于实现这些设备的元件相对较少,因此电路相对简单且生产成本较低。缺点:主要缺点是转换速度慢。N位ADC,输出可能需要长达2个N的时钟周期来转换单个采样点转换原理都是基于对电压积分并将积分后电压与另一电压比较以

芯城品牌采购网

7116

使用氮化镓IC对离线式电源的大电容进行优化-芯城品牌采购网

额定功率低于75W的适配器的组成元件包括:输入滤波器、二极管整流器、输入和输出电容、IC控制器、辅助电源、磁性元件、功率器件和散热片。集成解决方案在缩小和简化变换器方面已经取得了长足的进步,剩下的最大元件就是磁性元件、输入大电容、输出电容和EMI输入级。为了减小磁性元件的尺寸,在高频AC/DC变换器的设计上投入了大量的研究和工程工作。然而,输入大电容所占体积与适配器内的磁性元件相比却差不多甚至更大

芯城品牌采购网

7393

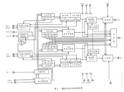
频率合成器MBl5U36的结构性能及应用分析-芯城品牌采购网

1引言随着无线电技术的迅猛发展,雷达、导航、宇宙飞行、导弹及空间探索工作都需要高稳定度、高精度的频率源。锁相振荡源具有频率稳定度高、相位噪声低、易于集成等突出优点,因而成为通信、雷达、武器制导和电子测量仪器等系统的核心部件。在射频及微波系统中,采用串行码数据输入的数字式电荷泵频率合成器,外接压控振荡器(VCO)和环路滤波器,即可组成锁相(PLL)频率源。它具有电路设计简单、功耗低、可灵活编程控制分

芯城品牌采购网

5507